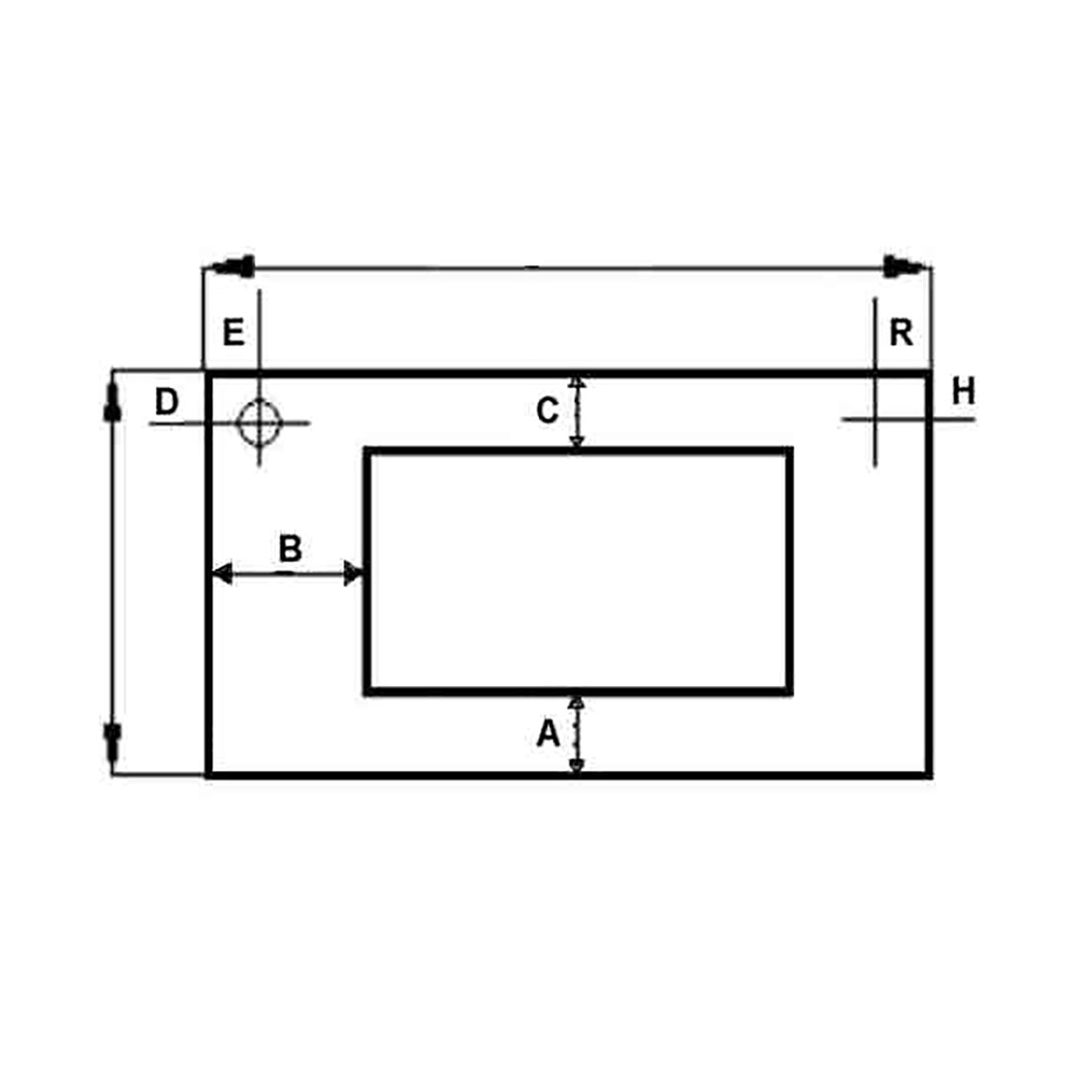
VF5946 – VETRO TIPO TECNOGAS 585X412 BIANCO
€77,20 IVA inclusa
13 disponibili
Ricambio compatibile: VETRO TIPO TECNOGAS 585X412 BIANCO. Componente tecnico per manutenzione e sostituzione su apparecchi domestici.
| Codice Compatibile | VF5946 |
|---|---|
| Dettaglio | A=108 B=93, C=50 |
Ti potrebbero interessare
A0150 – GUARNIZIONE FORNO PER AREILOS 2 LUNETTE 2 GANCI 1 MOLLA – 23X65X23
Misure: 1100, Lunghezza 1100 mm
€13,15 IVA inclusa
