VF0442 – VETRO TIPO BOMPANI 466X419 C/SCANSI V07
€77,20 IVA inclusa
23 disponibili
Ricambio compatibile: VETRO TIPO BOMPANI 466X419 C/SCANSI V07. Componente tecnico per manutenzione e sostituzione su apparecchi domestici.
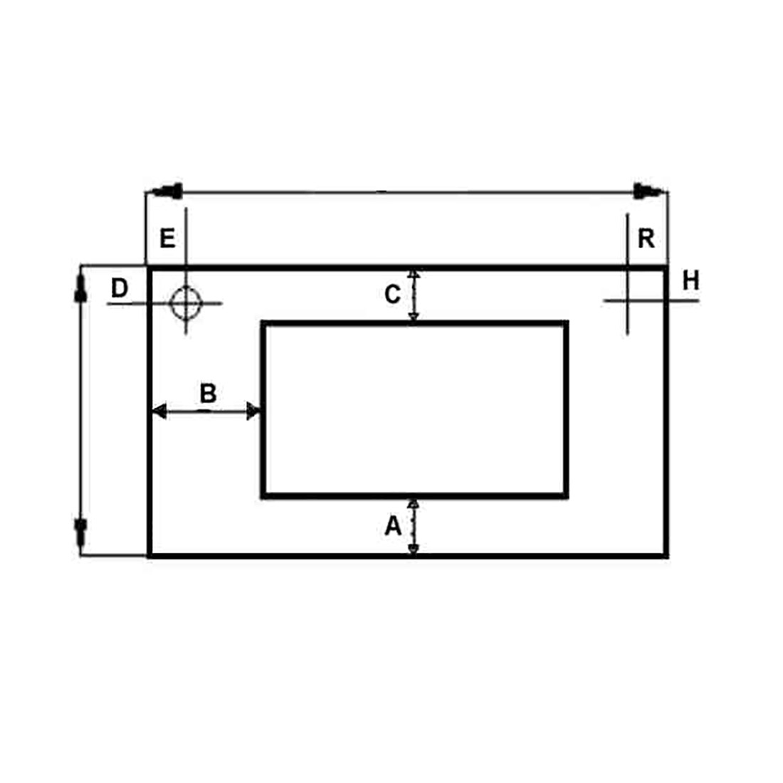
| Codice Compatibile | VF0442 |
|---|---|
| Dettaglio | A=145 B=100, C=92 |
Ti potrebbero interessare
A0150 – GUARNIZIONE FORNO PER AREILOS 2 LUNETTE 2 GANCI 1 MOLLA – 23X65X23
Misure: 1100, Lunghezza 1100 mm
€13,15 IVA inclusa
A0854 – GUARNIZIONE FORNO ELBA mm. 1400 4 LUNETTE 31X39X2
Misure: 390 x 310 mm., 4 LUNETTE - Lunga 1400 mm.
€18,79 IVA inclusa
